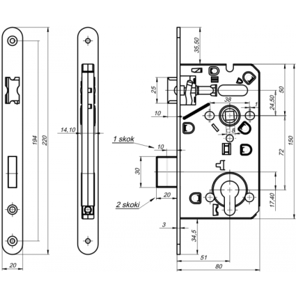
Замок 410 (AB Бронза)
замер
скидки
доставка
на рынке
коллекции





Есть рассрочка










































-299x299.jpg)




















-425x426.jpg)
















Belii-299x299.jpg)






