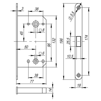
Замок WC магнитный М1895 (SN Хром)
замер
скидки
доставка
на рынке
коллекции









Есть рассрочка












































